FA28減速電機詳細信息
FA28減速電機
FA28減速電機基座參數計算公式:齒輪減速馬達
滑塊傳送帶參數:承重1300kg,輪子直徑φ48mm,拉動速度0.19m/s
運輸速度0.9m×60s=11.4m每分鐘
3.14(圓周率)×0.048m(輪子直徑48mm)=0.15072m
11.4m÷0.15072m=75.64r/min輸出轉數
輸送物流1300Kg換算成N=12740n
12740n×0.024輪子半徑×0.06摩擦系數=18.35×2=36.7N.m輸出扭矩
1400電機輸入轉速÷75.64r/min=18.5減速比
36.7N.m輸出扭矩÷18.5減速比=1.98N.m電機扭矩
1.98N.m電機扭矩換算成電機功率=0.31KW左右
對應的FA28減速電機功率型號:
型號:FA28-BVP0.37KW
減速比:18.84
輸出轉數:73轉
輸出扭矩:48N.m
安全系數:2.7
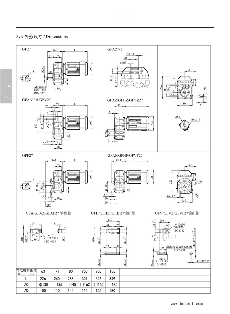
FA28減速電機基座尺寸:輸出軸Φ20+鍵2.5(可定做),高134*寬135*長174(帶輸出軸)平行軸斜齒輪減速機

FA28平行軸齒輪減速機型號:

FA28減速電機型號參數:分體減速機電機
FA28減速機配0.12KW電機參數
| 型號 | 功率 | 輸出轉數 | 輸出扭矩 | 服務系數 |
| F27Y0.12KW | 0.12KW | 9.80rpm | 117N.m | 1.10 |
| F27Y0.12KW | 0.12KW | 11.0rpm | 107N.m | 1.20 |
| F27Y0.12KW | 0.12KW | 13.0rpm | 91N.m | 1.40 |
| F27Y0.12KW | 0.12KW | 15.0rpm | 79N.m | 1.65 |
| F27Y0.12KW | 0.12KW | 16.0rpm | 73N.m | 1.75 |
| F27Y0.12KW | 0.12KW | 18.0rpm | 64N.m | 2.00 |
| F27Y0.12KW | 0.12KW | 19.0rpm | 60N.m | 2.20 |
| F27Y0.12KW | 0.12KW | 22.0rpm | 53N.m | 2.40 |
| F27Y0.12KW | 0.12KW | 24.0rpm | 47N.m | 2.80 |
| F27Y0.12KW | 0.12KW | 28.0rpm | 42N.m | 3.10 |
| F27Y0.12KW | 0.12KW | 30.0rpm | 39N.m | 3.40 |
| F27Y0.12KW | 0.12KW | 34.0rpm | 34N.m | 3.80 |
| F27Y0.12KW | 0.12KW | 36.0rpm | 32N.m | 4.10 |
| F27Y0.12KW | 0.12KW | 41.0rpm | 28N.m | 4.60 |
| F27Y0.12KW | 0.12KW | 47.0rpm | 24N.m | 5.30 |
| F27Y0.12KW | 0.12KW | 51.0rpm | 23N.m | 5.80 |
| F27Y0.12KW | 0.12KW | 59.0rpm | 19N.m | 6.70 |
| F27Y0.12KW | 0.12KW | 68.0rpm | 17N.m | 7.80 |
| F27Y0.12KW | 0.12KW | 73.0rpm | 16N.m | 8.30 |
| F27Y0.12KW | 0.12KW | 85.0rpm | 14N.m | 9.60 |
| F27Y0.12KW | 0.12KW | 100rpm | 12N.m | 11.0 |
| F27Y0.12KW | 0.12KW | 112rpm | 10N.m | 13.0 |
| F27Y0.12KW | 0.12KW | 131rpm | 8.8N.m | 15.0 |
| F27Y0.12KW | 0.12KW | 140rpm | 8.2N.m | 16.0 |
| F27Y0.12KW | 0.12KW | 147rpm | 7.8N.m | 17.0 |
| F27Y0.12KW | 0.12KW | 170rpm | 6.7N.m | 18.0 |
| F27Y0.12KW | 0.12KW | 200rpm | 5.7N.m | 20.0 |
| F27Y0.12KW | 0.12KW | 224rpm | 5.1N.m | 21.0 |
| F27Y0.12KW | 0.12KW | 262rpm | 4.4N.m | 23.0 |
| F27Y0.12KW | 0.12KW | 280rpm | 4.1N.m | 23.0 |
| F27Y0.12KW | 0.12KW | 332rpm | 3.5N.m | 25.0 |
FA28減速機配0.18KW電機參數
| 型號 | 功率 | 輸出轉數 | 輸出扭矩 | 服務系數 |
| F27Y0.18KW | 0.18KW | 12.0rpm | 143N.m | 0.90 |
| F27Y0.18KW | 0.18KW | 14.0rpm | 123N.m | 1.05 |
| F27Y0.18KW | 0.18KW | 15.0rpm | 115N.m | 1.15 |
| F27Y0.18KW | 0.18KW | 17.0rpm | 100N.m | 1.30 |
| F27Y0.18KW | 0.18KW | 18.0rpm | 94N.m | 1.40 |
| F27Y0.18KW | 0.18KW | 21.0rpm | 83N.m | 1.55 |
| F27Y0.18KW | 0.18KW | 23.0rpm | 74N.m | 1.75 |
| F27Y0.18KW | 0.18KW | 26.0rpm | 65N.m | 2.00 |
| F27Y0.18KW | 0.18KW | 28.0rpm | 61N.m | 2.10 |
| F27Y0.18KW | 0.18KW | 32.0rpm | 53N.m | 2.40 |
| F27Y0.18KW | 0.18KW | 34.0rpm | 50N.m | 2.60 |
| F27Y0.18KW | 0.18KW | 39.0rpm | 44N.m | 3.00 |
| F27Y0.18KW | 0.18KW | 45.0rpm | 38N.m | 3.40 |
| F27Y0.18KW | 0.18KW | 49.0rpm | 35N.m | 3.70 |
| F27Y0.18KW | 0.18KW | 57.0rpm | 30N.m | 4.30 |
| F27Y0.18KW | 0.18KW | 65.0rpm | 26N.m | 5.00 |
| F27Y0.18KW | 0.18KW | 70.0rpm | 24N.m | 5.30 |
| F27Y0.18KW | 0.18KW | 81.0rpm | 21N.m | 6.10 |
| F27Y0.18KW | 0.18KW | 95.0rpm | 18N.m | 7.20 |
| F27Y0.18KW | 0.18KW | 107rpm | 16N.m | 8.10 |
| F27Y0.18KW | 0.18KW | 125rpm | 14N.m | 9.50 |
| F27Y0.18KW | 0.18KW | 134rpm | 13N.m | 10.0 |
| F27Y0.18KW | 0.18KW | 140rpm | 12N.m | 11.0 |
| F27Y0.18KW | 0.18KW | 162rpm | 11N.m | 12.0 |
| F27Y0.18KW | 0.18KW | 191rpm | 9N.m | 13.0 |
| F27Y0.18KW | 0.18KW | 214rpm | 8N.m | 14.0 |
| F27Y0.18KW | 0.18KW | 251rpm | 6.9N.m | 14.0 |
| F27Y0.18KW | 0.18KW | 268rpm | 6.4N.m | 15.0 |
| F27Y0.18KW | 0.18KW | 318rpm | 5.4N.m | 16.0 |
FA28減速機配0.25KW電機參數
| 型號 | 功率 | 輸出轉數 | 輸出扭矩 | 服務系數 |
| F27Y0.25KW | 0.25KW | 17.0rpm | 142N.m | 0.90 |
| F27Y0.25KW | 0.25KW | 18.0rpm | 133N.m | 1.00 |
| F27Y0.25KW | 0.25KW | 20.0rpm | 117N.m | 1.10 |
| F27Y0.25KW | 0.25KW | 23.0rpm | 104N.m | 1.25 |
| F27Y0.25KW | 0.25KW | 26.0rpm | 92N.m | 1.40 |
| F27Y0.25KW | 0.25KW | 28.0rpm | 86N.m | 1.50 |
| F27Y0.25KW | 0.25KW | 32.0rpm | 75N.m | 1.75 |
| F27Y0.25KW | 0.25KW | 34.0rpm | 70N.m | 1.85 |
| F27Y0.25KW | 0.25KW | 38.0rpm | 62N.m | 2.10 |
| F27Y0.25KW | 0.25KW | 44.0rpm | 54N.m | 2.40 |
| F27Y0.25KW | 0.25KW | 48.0rpm | 50N.m | 2.60 |
| F27Y0.25KW | 0.25KW | 56.0rpm | 43N.m | 3.00 |
| F27Y0.25KW | 0.25KW | 64.0rpm | 37N.m | 3.50 |
| F27Y0.25KW | 0.25KW | 69.0rpm | 35N.m | 3.80 |
| F27Y0.25KW | 0.25KW | 80.0rpm | 30N.m | 4.40 |
| F27Y0.25KW | 0.25KW | 94.0rpm | 25N.m | 5.10 |
| F27Y0.25KW | 0.25KW | 105rpm | 23N.m | 5.70 |
| F27Y0.25KW | 0.25KW | 123rpm | 19N.m | 6.70 |
| F27Y0.25KW | 0.25KW | 132rpm | 18N.m | 7.20 |
| F27Y0.25KW | 0.25KW | 138rpm | 17N.m | 7.50 |
| F27Y0.25KW | 0.25KW | 160rpm | 15N.m | 8.30 |
| F27Y0.25KW | 0.25KW | 188rpm | 13N.m | 9.00 |
| F27Y0.25KW | 0.25KW | 211rpm | 11N.m | 9.60 |
| F27Y0.25KW | 0.25KW | 247rpm | 9.7N.m | 10.0 |
| F27Y0.25KW | 0.25KW | 264rpm | 9.1N.m | 11.0 |
| F27Y0.25KW | 0.25KW | 313rpm | 7.6N.m | 11.0 |
FA28減速機配0.37KW電機參數
| 型號 | 功率 | 輸出轉數 | 輸出扭矩 | 服務系數 |
| F27Y0.37KW | 0.37KW | 24.0rpm | 145N.m | 0.90 |
| F27Y0.37KW | 0.37KW | 28.0rpm | 128N.m | 1.00 |
| F27Y0.37KW | 0.37KW | 30.0rpm | 120N.m | 1.10 |
| F27Y0.37KW | 0.37KW | 34.0rpm | 105N.m | 1.25 |
| F27Y0.37KW | 0.37KW | 36.0rpm | 98N.m | 1.35 |
| F27Y0.37KW | 0.37KW | 41.0rpm | 87N.m | 1.50 |
| F27Y0.37KW | 0.37KW | 47.0rpm | 76N.m | 1.70 |
| F27Y0.37KW | 0.37KW | 51.0rpm | 70N.m | 1.85 |
| F27Y0.37KW | 0.37KW | 59.0rpm | 60N.m | 2.20 |
| F27Y0.37KW | 0.37KW | 68.0rpm | 52N.m | 2.50 |
| F27Y0.37KW | 0.37KW | 73.0rpm | 48N.m | 2.70 |
| F27Y0.37KW | 0.37KW | 85.0rpm | 42N.m | 3.10 |
| F27Y0.37KW | 0.37KW | 100rpm | 35N.m | 3.70 |
| F27Y0.37KW | 0.37KW | 112rpm | 32N.m | 4.10 |
| F27Y0.37KW | 0.37KW | 131rpm | 27N.m | 4.80 |
| F27Y0.37KW | 0.37KW | 140rpm | 25N.m | 5.10 |
| F27Y0.37KW | 0.37KW | 147rpm | 24N.m | 5.40 |
| F27Y0.37KW | 0.37KW | 170rpm | 21N.m | 5.90 |
| F27Y0.37KW | 0.37KW | 200rpm | 18N.m | 6.40 |
| F27Y0.37KW | 0.37KW | 224rpm | 16N.m | 6.90 |
| F27Y0.37KW | 0.37KW | 262rpm | 14N.m | 7.40 |
| F27Y0.37KW | 0.37KW | 280rpm | 13N.m | 7.60 |
| F27Y0.37KW | 0.37KW | 332rpm | 11N.m | 8.20 |
FA28減速機配0.55KW電機參數
| 型號 | 功率 | 輸出轉數 | 輸出扭矩 | 服務系數 |
| F27Y0.55KW | 0.55KW | 59.0rpm | 88N.m | 1.45 |
| F27Y0.55KW | 0.55KW | 68.0rpm | 77N.m | 1.70 |
| F27Y0.55KW | 0.55KW | 73.0rpm | 72N.m | 1.80 |
| F27Y0.55KW | 0.55KW | 85.0rpm | 62N.m | 2.10 |
| F27Y0.55KW | 0.55KW | 100rpm | 53N.m | 2.50 |
| F27Y0.55KW | 0.55KW | 112rpm | 47N.m | 2.80 |
| F27Y0.55KW | 0.55KW | 131rpm | 40N.m | 3.20 |
| F27Y0.55KW | 0.55KW | 140rpm | 38N.m | 3.50 |
| F27Y0.55KW | 0.55KW | 147rpm | 36N.m | 3.60 |
| F27Y0.55KW | 0.55KW | 170rpm | 31N.m | 4.00 |
| F27Y0.55KW | 0.55KW | 200rpm | 26N.m | 4.30 |
| F27Y0.55KW | 0.55KW | 224rpm | 24N.m | 4.60 |
| F27Y0.55KW | 0.55KW | 262rpm | 20N.m | 5.00 |
| F27Y0.55KW | 0.55KW | 280rpm | 19N.m | 5.10 |
| F27Y0.55KW | 0.55KW | 332rpm | 16N.m | 5.50 |
FA28減速機配0.75KW電機參數
| 型號 | 功率 | 輸出轉數 | 輸出扭矩 | 服務系數 |
| F27Y0.75KW | 0.75KW | 62.0rpm | 116N.m | 1.10 |
| F27Y0.75KW | 0.75KW | 71.0rpm | 101N.m | 1.30 |
| F27Y0.75KW | 0.75KW | 76.0rpm | 94N.m | 1.40 |
| F27Y0.75KW | 0.75KW | 88.0rpm | 81N.m | 1.60 |
| F27Y0.75KW | 0.75KW | 104rpm | 69N.m | 1.90 |
| F27Y0.75KW | 0.75KW | 116rpm | 62N.m | 2.10 |
| F27Y0.75KW | 0.75KW | 136rpm | 53N.m | 2.50 |
| F27Y0.75KW | 0.75KW | 145rpm | 49N.m | 2.60 |
| F27Y0.75KW | 0.75KW | 153rpm | 47N.m | 2.80 |
| F27Y0.75KW | 0.75KW | 177rpm | 41N.m | 3.00 |
| F27Y0.75KW | 0.75KW | 208rpm | 34N.m | 3.30 |
| F27Y0.75KW | 0.75KW | 233rpm | 31N.m | 3.50 |
| F27Y0.75KW | 0.75KW | 272rpm | 26N.m | 3.80 |
| F27Y0.75KW | 0.75KW | 291rpm | 25N.m | 3.90 |
| F27Y0.75KW | 0.75KW | 345rpm | 21N.m | 4.20 |
FA28減速機配1.1KW電機參數
| 型號 | 功率 | 輸出轉數 | 輸出扭矩 | 服務系數 |
| F27Y1.1KW | 1.1KW | 70.0rpm | 149N.m | 0.85 |
| F27Y1.1KW | 1.1KW | 75.0rpm | 139N.m | 0.95 |
| F27Y1.1KW | 1.1KW | 87.0rpm | 120N.m | 1.10 |
| F27Y1.1KW | 1.1KW | 103rpm | 102N.m | 1.25 |
| F27Y1.1KW | 1.1KW | 115rpm | 91N.m | 1.40 |
| F27Y1.1KW | 1.1KW | 135rpm | 78N.m | 1.65 |
| F27Y1.1KW | 1.1KW | 144rpm | 73N.m | 1.80 |
| F27Y1.1KW | 1.1KW | 151rpm | 70N.m | 1.85 |
| F27Y1.1KW | 1.1KW | 175rpm | 60N.m | 2.00 |
| F27Y1.1KW | 1.1KW | 206rpm | 51N.m | 2.20 |
| F27Y1.1KW | 1.1KW | 230rpm | 46N.m | 2.40 |
| F27Y1.1KW | 1.1KW | 270rpm | 39N.m | 2.60 |
| F27Y1.1KW | 1.1KW | 288rpm | 36N.m | 2.60 |
| F27Y1.1KW | 1.1KW | 342rpm | 31N.m | 2.80 |
FA28減速機配1.5KW電機參數
| 型號 | 功率 | 輸出轉數 | 輸出扭矩 | 服務系數 |
| F27Y1.5KW | 1.5KW | 103rpm | 139N.m | 0.95 |
| F27Y1.5KW | 1.5KW | 116rpm | 124N.m | 1.05 |
| F27Y1.5KW | 1.5KW | 136rpm | 106N.m | 1.25 |
| F27Y1.5KW | 1.5KW | 145rpm | 99N.m | 1.30 |
| F27Y1.5KW | 1.5KW | 152rpm | 94N.m | 1.40 |
| F27Y1.5KW | 1.5KW | 176rpm | 81N.m | 1.50 |
| F27Y1.5KW | 1.5KW | 207rpm | 69N.m | 1.65 |
| F27Y1.5KW | 1.5KW | 232rpm | 62N.m | 1.75 |
| F27Y1.5KW | 1.5KW | 271rpm | 53N.m | 1.90 |
| F27Y1.5KW | 1.5KW | 290rpm | 49N.m | 1.95 |
| F27Y1.5KW | 1.5KW | 344rpm | 42N.m | 2.10 |
FA28減速機配2.2KW電機參數
| 型號 | 功率 | 輸出轉數 | 輸出扭矩 | 服務系數 |
| F27Y2.2KW | 2.2KW | 177rpm | 119N.m | 1.10 |
| F27Y2.2KW | 2.2KW | 208rpm | 101N.m | 1.30 |
| F27Y2.2KW | 2.2KW | 233rpm | 90N.m | 1.45 |
| F27Y2.2KW | 2.2KW | 273rpm | 77N.m | 1.70 |
| F27Y2.2KW | 2.2KW | 291rpm | 72N.m | 1.80 |
| F27Y2.2KW | 2.2KW | 354rpm | 59N.m | 2.10 |
| F27Y2.2KW | 2.2KW | 417rpm | 50N.m | 2.30 |
| F27Y2.2KW | 2.2KW | 467rpm | 45N.m | 2.40 |
| F27Y2.2KW | 2.2KW | 547rpm | 38N.m | 2.60 |
| F27Y2.2KW | 2.2KW | 584rpm | 36N.m | 2.70 |
| F27Y2.2KW | 2.2KW | 693rpm | 30N.m | 2.90 |
FA28減速電機生產工廠展示:看廠請聯系微信13827261050,獲取位置,需提前一天預約
推薦類似型號:F28減速機
關鍵詞:GFA系列減速器配馬達一體式_分體電機減速機_分體減速機_分體減速機電機_分體電機_FA系列減速機_FA型減速機_GFA系列減速機_FA系列減速器_FA系列減速機生產廠家
FA系列齒輪減速馬達型號:FA28減速機,FA38減速機,FA48減速機,FA68減速機,FA78減速機,FA88減速機,FA98減速機,FA108減速機,FA128減速機,FA158減速機
FA系列電動機減速機可配變頻電機,剎車電機,防爆電機,伺服電機,交流電機,直流電機,三相電機,單相電機 0.12KW-132KW之間
如需工程師幫選型,請加微信13827261050,留言告知工程師參數要求
標簽:  FA28減速電機 FA27平行軸齒輪減速機 FA27減速機功率 FA27減速機基座尺寸 FA27減速機基座尺寸 FA27減速機型號參數
