FA68減速電機詳細信息
FA68減速電機
FA68減速電機基座參數計算公式:齒輪減速馬達
滑塊傳送帶參數:承重5300Kg,輪子直徑φ88mm,拉動速度0.59m/s
運輸速度0.59m×60s=35.4m每分鐘
3.14(圓周率)×0.088m(輪子直徑88mm)=0.27632m
35.4m÷0.27632m=127.97r/min輸出轉數
輸送物流5300Kg換算成N=51940n
51940n×0.044輪子半徑×0.06摩擦系數=137.12×2=274.24N.m輸出扭矩
1400電機輸入轉速÷127.97r/min=10.94減速比
274.24N.m輸出扭矩÷10.94減速比=25.07N.m電機扭矩
25.07N.m電機扭矩換算成電機功率=3.98KW左右
對應的FA68減速電機功率型號:
型號:FA68-BVP4KW
減速比:11.31
輸出轉數:129轉
輸出扭矩:295N.m
安全系數:2.8
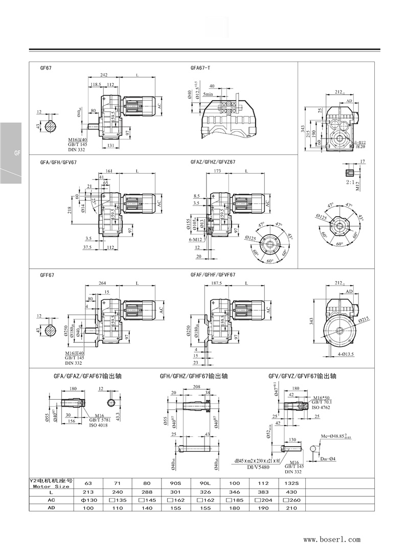
FA68減速電機基座尺寸:輸出軸Φ20+鍵2.5(可定做),高134*寬135*長174(帶輸出軸)平行軸斜齒輪減速機

FA68平行軸齒輪減速機型號:

FA68減速電機型號參數:分體減速機電機
FA68減速機配0.18KW電機參數
| 型號 | 功率 | 輸出轉數 | 輸出扭矩 | 服務系數 |
| F67Y0.18KW | 0.18KW | 5.80rpm | 295N.m | 2.80 |
| F67Y0.18KW | 0.18KW | 6.80rpm | 250N.m | 3.20 |
| F67Y0.18KW | 0.18KW | 7.70rpm | 220N.m | 3.70 |
FA68減速機配0.25KW電機參數
| 型號 | 功率 | 輸出轉數 | 輸出扭矩 | 服務系數 |
| F67Y0.25KW | 0.25KW | 5.70rpm | 420N.m | 1.95 |
| F67Y0.25KW | 0.25KW | 6.60rpm | 355N.m | 2.30 |
| F67Y0.25KW | 0.25KW | 7.60rpm | 310N.m | 2.60 |
| F67Y0.25KW | 0.25KW | 8.00rpm | 295N.m | 2.80 |
| F67Y0.25KW | 0.25KW | 9.10rpm | 260N.m | 3.10 |
FA68減速機配0.37KW電機參數
| 型號 | 功率 | 輸出轉數 | 輸出扭矩 | 服務系數 |
| F67Y0.37KW | 0.37KW | 6.00rpm | 585N.m | 1.40 |
| F67Y0.37KW | 0.37KW | 7.10rpm | 500N.m | 1.65 |
| F67Y0.37KW | 0.37KW | 8.10rpm | 435N.m | 1.85 |
| F67Y0.37KW | 0.37KW | 8.50rpm | 415N.m | 1.95 |
| F67Y0.37KW | 0.37KW | 9.70rpm | 360N.m | 2.20 |
| F67Y0.37KW | 0.37KW | 11.0rpm | 305N.m | 2.60 |
FA68減速機配0.55KW電機參數
| 型號 | 功率 | 輸出轉數 | 輸出扭矩 | 服務系數 |
| F67Y0.55KW | 0.55KW | 7.10rpm | 740N.m | 1.10 |
| F67Y0.55KW | 0.55KW | 8.10rpm | 650N.m | 1.25 |
| F67Y0.55KW | 0.55KW | 8.50rpm | 615N.m | 1.35 |
| F67Y0.55KW | 0.55KW | 9.70rpm | 540N.m | 1.50 |
| F67Y0.55KW | 0.55KW | 11.0rpm | 455N.m | 1.80 |
| F67Y0.55KW | 0.55KW | 13.0rpm | 415N.m | 2.00 |
| F67Y0.55KW | 0.55KW | 14.0rpm | 365N.m | 2.20 |
| F67Y0.55KW | 0.55KW | 15.0rpm | 340N.m | 2.40 |
| F67Y0.55KW | 0.55KW | 17.0rpm | 300N.m | 2.70 |
FA68減速機配0.75KW電機參數
| 型號 | 功率 | 輸出轉數 | 輸出扭矩 | 服務系數 |
| F67Y0.75KW | 0.75KW | 8.40rpm | 850N.m | 0.95 |
| F67Y0.75KW | 0.75KW | 8.80rpm | 810N.m | 1.00 |
| F67Y0.75KW | 0.75KW | 10.0rpm | 710N.m | 1.15 |
| F67Y0.75KW | 0.75KW | 12.0rpm | 600N.m | 1.35 |
| F67Y0.75KW | 0.75KW | 13.0rpm | 540N.m | 1.50 |
| F67Y0.75KW | 0.75KW | 15.0rpm | 475N.m | 1.70 |
| F67Y0.75KW | 0.75KW | 16.0rpm | 450N.m | 1.80 |
| F67Y0.75KW | 0.75KW | 18.0rpm | 395N.m | 2.10 |
| F67Y0.75KW | 0.75KW | 21.0rpm | 335N.m | 2.40 |
| F67Y0.75KW | 0.75KW | 24.0rpm | 300N.m | 2.70 |
FA68減速機配1.1KW電機參數
| 型號 | 功率 | 輸出轉數 | 輸出扭矩 | 服務系數 |
| F67Y1.1KW | 1.1KW | 12.0rpm | 890N.m | 0.90 |
| F67Y1.1KW | 1.1KW | 13.0rpm | 800N.m | 1.00 |
| F67Y1.1KW | 1.1KW | 15.0rpm | 705N.m | 1.15 |
| F67Y1.1KW | 1.1KW | 16.0rpm | 670N.m | 1.20 |
| F67Y1.1KW | 1.1KW | 18.0rpm | 590N.m | 1.40 |
| F67Y1.1KW | 1.1KW | 21.0rpm | 500N.m | 1.65 |
| F67Y1.1KW | 1.1KW | 23.0rpm | 450N.m | 1.80 |
| F67Y1.1KW | 1.1KW | 26.0rpm | 395N.m | 2.10 |
| F67Y1.1KW | 1.1KW | 28.0rpm | 375N.m | 2.20 |
| F67Y1.1KW | 1.1KW | 33.0rpm | 315N.m | 2.60 |
| F67Y1.1KW | 1.1KW | 36.0rpm | 290N.m | 2.70 |
| F67Y1.1KW | 1.1KW | 42.0rpm | 250N.m | 2.90 |
FA68減速機配1.5KW電機參數
| 型號 | 功率 | 輸出轉數 | 輸出扭矩 | 服務系數 |
| F67Y1.5KW | 1.5KW | 16.0rpm | 900N.m | 0.90 |
| F67Y1.5KW | 1.5KW | 18.0rpm | 795N.m | 1.05 |
| F67Y1.5KW | 1.5KW | 21.0rpm | 675N.m | 1.20 |
| F67Y1.5KW | 1.5KW | 23.0rpm | 610N.m | 1.35 |
| F67Y1.5KW | 1.5KW | 27.0rpm | 535N.m | 1.50 |
| F67Y1.5KW | 1.5KW | 28.0rpm | 505N.m | 1.60 |
| F67Y1.5KW | 1.5KW | 33.0rpm | 430N.m | 1.90 |
| F67Y1.5KW | 1.5KW | 36.0rpm | 390N.m | 2.00 |
| F67Y1.5KW | 1.5KW | 39.0rpm | 360N.m | 2.30 |
| F67Y1.5KW | 1.5KW | 45.0rpm | 320N.m | 2.60 |
| F67Y1.5KW | 1.5KW | 52.0rpm | 270N.m | 3.00 |
| F67Y1.5KW | 1.5KW | 57.0rpm | 250N.m | 3.30 |
FA68減速機配2.2KW電機參數
| 型號 | 功率 | 輸出轉數 | 輸出扭矩 | 服務系數 |
| F67Y2.2KW | 2.2KW | 23.0rpm | 900N.m | 0.90 |
| F67Y2.2KW | 2.2KW | 27.0rpm | 790N.m | 1.05 |
| F67Y2.2KW | 2.2KW | 28.0rpm | 745N.m | 1.10 |
| F67Y2.2KW | 2.2KW | 33.0rpm | 635N.m | 1.30 |
| F67Y2.2KW | 2.2KW | 36.0rpm | 575N.m | 1.35 |
| F67Y2.2KW | 2.2KW | 42.0rpm | 500N.m | 1.50 |
| F67Y2.2KW | 2.2KW | 44.0rpm | 470N.m | 1.75 |
| F67Y2.2KW | 2.2KW | 52.0rpm | 400N.m | 2.00 |
| F67Y2.2KW | 2.2KW | 57.0rpm | 370N.m | 2.20 |
| F67Y2.2KW | 2.2KW | 65.0rpm | 325N.m | 2.50 |
| F67Y2.2KW | 2.2KW | 68.0rpm | 305N.m | 2.70 |
| F67Y2.2KW | 2.2KW | 78.0rpm | 265N.m | 3.00 |
FA68減速機配3KW電機參數
| 型號 | 功率 | 輸出轉數 | 輸出扭矩 | 服務系數 |
| F67Y3KW | 3KW | 34.0rpm | 850N.m | 0.95 |
| F67Y3KW | 3KW | 37.0rpm | 770N.m | 1.00 |
| F67Y3KW | 3KW | 43.0rpm | 665N.m | 1.10 |
| F67Y3KW | 3KW | 45.0rpm | 630N.m | 1.30 |
| F67Y3KW | 3KW | 53.0rpm | 535N.m | 1.50 |
| F67Y3KW | 3KW | 58.0rpm | 490N.m | 1.65 |
| F67Y3KW | 3KW | 66.0rpm | 430N.m | 1.90 |
| F67Y3KW | 3KW | 70.0rpm | 410N.m | 2.00 |
| F67Y3KW | 3KW | 80.0rpm | 360N.m | 2.30 |
| F67Y3KW | 3KW | 88.0rpm | 320N.m | 2.50 |
| F67Y3KW | 3KW | 101rpm | 280N.m | 2.90 |
FA68減速機配4KW電機參數
| 型號 | 功率 | 輸出轉數 | 輸出扭矩 | 服務系數 |
| F67Y4KW | 4KW | 53.0rpm | 715N.m | 1.15 |
| F67Y4KW | 4KW | 58.0rpm | 655N.m | 1.25 |
| F67Y4KW | 4KW | 66.0rpm | 575N.m | 1.40 |
| F67Y4KW | 4KW | 70.0rpm | 545N.m | 1.50 |
| F67Y4KW | 4KW | 80.0rpm | 475N.m | 1.70 |
| F67Y4KW | 4KW | 89.0rpm | 430N.m | 1.90 |
| F67Y4KW | 4KW | 101rpm | 375N.m | 2.20 |
| F67Y4KW | 4KW | 114rpm | 330N.m | 2.50 |
| F67Y4KW | 4KW | 129rpm | 295N.m | 2.80 |
| F67Y4KW | 4KW | 151rpm | 250N.m | 3.20 |
| F67Y4KW | 4KW | 161rpm | 235N.m | 2.20 |
| F67Y4KW | 4KW | 170rpm | 225N.m | 2.50 |
| F67Y4KW | 4KW | 194rpm | 197N.m | 3.10 |
| F67Y4KW | 4KW | 215rpm | 178N.m | 3.50 |
| F67Y4KW | 4KW | 245rpm | 156N.m | 3.90 |
| F67Y4KW | 4KW | 137rpm | 5.25N.m | 4.30 |
| F67Y4KW | 4KW | 122rpm | 4.66N.m | 4.60 |
| F67Y4KW | 4KW | 104rpm | 3.97N.m | 4.80 |
FA68減速機配5.5KW電機參數
| 型號 | 功率 | 輸出轉數 | 輸出扭矩 | 服務系數 |
| F67Y5.5KW | 5.5KW | 66.0rpm | 795N.m | 1.05 |
| F67Y5.5KW | 5.5KW | 70.0rpm | 750N.m | 1.10 |
| F67Y5.5KW | 5.5KW | 80.0rpm | 660N.m | 1.25 |
| F67Y5.5KW | 5.5KW | 88.0rpm | 590N.m | 1.40 |
| F67Y5.5KW | 5.5KW | 101rpm | 520N.m | 1.55 |
| F67Y5.5KW | 5.5KW | 114rpm | 460N.m | 1.80 |
| F67Y5.5KW | 5.5KW | 129rpm | 405N.m | 2.00 |
| F67Y5.5KW | 5.5KW | 151rpm | 345N.m | 2.40 |
| F67Y5.5KW | 5.5KW | 160rpm | 325N.m | 1.60 |
| F67Y5.5KW | 5.5KW | 169rpm | 310N.m | 1.85 |
| F67Y5.5KW | 5.5KW | 193rpm | 270N.m | 2.20 |
| F67Y5.5KW | 5.5KW | 214rpm | 240N.m | 2.50 |
| F67Y5.5KW | 5.5KW | 245rpm | 210N.m | 2.80 |
| F67Y5.5KW | 5.5KW | 277rpm | 190N.m | 3.10 |
| F67Y5.5KW | 5.5KW | 313rpm | 168N.m | 3.30 |
| F67Y5.5KW | 5.5KW | 366rpm | 144N.m | 3.50 |
FA68減速電機生產工廠展示:看廠請聯系微信13827261050,獲取位置,需提前一天預約
推薦類似型號:F68減速機
關鍵詞:GFA系列減速器配馬達一體式_分體電機減速機_分體減速機_分體減速機電機_分體電機_FA系列減速機_FA型減速機_GFA系列減速機_FA系列減速器_FA系列減速機生產廠家
FA系列齒輪減速馬達型號:FA28減速機,FA38減速機,FA48減速機,FA68減速機,FA78減速機,FA88減速機,FA98減速機,FA108減速機,FA128減速機,FA158減速機
FA系列電動機減速機可配變頻電機,剎車電機,防爆電機,伺服電機,交流電機,直流電機,三相電機,單相電機 0.12KW-132KW之間
如需工程師幫選型,請加微信13827261050,留言告知工程師參數要求
標簽:   FA68減速電機 FA67平行軸齒輪減速機 FA67減速機功率 FA67減速機基座尺寸 FA67減速機模型 FA67減速機型號參數
