RF98減速電機詳細信息
RF98減速電機
RF98減速電機功率計算公式:齒輪減速馬達
電軌車參數:鏈輪直徑210,帶動2.1噸,每分鐘運行17米
17米÷(0.21鏈輪直徑×3.14)=25.78轉每分鐘
2.1噸換算成N=21000N
21000×0.105鏈輪半徑×0.3橡膠輪水泥路的摩擦系數=661.5N.m
通常確保萬無一失,我們會把輸出扭矩放大兩倍661.5×2=1323N.m
電機轉數1400÷輸出轉數25.78=54.3比
1323N.m輸出扭矩÷54.3比=24.36N.m電機扭矩
24.36N.m電機扭矩換算成功率3.87KW左右
對應的RF98減速機型號參數:
型號:RF98-BEJ4KW
減速比:53.21
輸出轉數:27轉每分鐘
輸出扭矩:1390N.m
安全系數:2.2
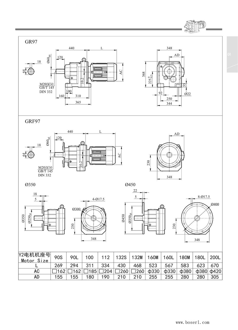
RF98減速機基座尺寸:輸出軸Φ20+鍵2.5(可定做),高134*寬135*長174(帶輸出軸)RF系列減速機

RF98斜齒輪硬齒面減速機型號:

RF98減速電機型號參數:同軸斜齒輪減速電機
RF98減速機配0.55KW電機參數
| 型號 | 減速比 | 功率 | 重量 | 力矩 |
| RF98-Y0.55KW | 289.74 | 0.55kw | 110kg | 27700N |
| RF98-Y0.55KW | 255.71 | 0.55kw | 110kg | 27900N |
| RF98-Y0.55KW | 241.25 | 0.55kw | 110kg | 28000N |
| RF98-Y0.55KW | 216.28 | 0.55kw | 110kg | 28100N |
RF98減速機配0.75KW電機參數
| 型號 | 減速比 | 功率 | 重量 | 力矩 |
| RF98-Y0.75KW | 289.74 | 0.75kw | 110kg | 27700N |
| RF98-Y0.75KW | 255.71 | 0.75kw | 110kg | 27900N |
| RF98-Y0.75KW | 241.25 | 0.75kw | 110kg | 28000N |
| RF98-Y0.75KW | 216.28 | 0.75kw | 110kg | 28100N |
| RF98-Y0.75KW | 186.3 | 0.75kw | 110kg | 28300N |
| RF98-Y0.75KW | 170.02 | 0.75kw | 110kg | 28300N |
RF98減速機配1.1KW電機參數
| 型號 | 減速比 | 功率 | 重量 | 力矩 |
| RF98-Y1.1KW | 255.71 | 1.1kw | 115kg | 26700N |
| RF98-Y1.1KW | 241.25 | 1.1kw | 115kg | 27100N |
| RF98-Y1.1KW | 216.28 | 1.1kw | 115kg | 27500N |
| RF98-Y1.1KW | 186.3 | 1.1kw | 115kg | 27800N |
| RF98-Y1.1KW | 170.02 | 1.1kw | 115kg | 27900N |
| RF98-Y1.1KW | 150.78 | 1.1kw | 115kg | 28100N |
| RF98-Y1.1KW | 126.75 | 1.1kw | 115kg | 28300N |
| RF98-Y1.1KW | 116.48 | 1.1kw | 115kg | 28300N |
RF98減速機配1.5KW電機參數
| 型號 | 減速比 | 功率 | 重量 | 力矩 |
| RF98-Y1.5KW | 255.71 | 1.5kw | 115kg | 23400N |
| RF98-Y1.5KW | 241.25 | 1.5kw | 115kg | 24300N |
| RF98-Y1.5KW | 216.28 | 1.5kw | 115kg | 25500N |
| RF98-Y1.5KW | 186.3 | 1.5kw | 115kg | 26700N |
| RF98-Y1.5KW | 170.02 | 1.5kw | 115kg | 27300N |
| RF98-Y1.5KW | 150.78 | 1.5kw | 115kg | 27600N |
| RF98-Y1.5KW | 126.75 | 1.5kw | 115kg | 27900N |
| RF98-Y1.5KW | 116.48 | 1.5kw | 115kg | 28000N |
| RF98-Y1.5KW | 103.44 | 1.5kw | 115kg | 28200N |
| RF98-Y1.5KW | 92.48 | 1.5kw | 115kg | 28300N |
RF98減速機配2.2KW電機參數
| 型號 | 減速比 | 功率 | 重量 | 力矩 |
| RF98-Y2.2KW | 216.28 | 2.2kw | 120kg | 3580N |
| RF98-Y2.2KW | 186.3 | 2.2kw | 120kg | 22300N |
| RF98-Y2.2KW | 170.02 | 2.2kw | 120kg | 23800N |
| RF98-Y2.2KW | 150.78 | 2.2kw | 120kg | 25300N |
| RF98-Y2.2KW | 126.75 | 2.2kw | 120kg | 26800N |
| RF98-Y2.2KW | 116.48 | 2.2kw | 120kg | 27300N |
| RF98-Y2.2KW | 103.44 | 2.2kw | 120kg | 27600N |
| RF98-Y2.2KW | 92.48 | 2.2kw | 120kg | 27800N |
| RF98-Y2.2KW | 83.15 | 2.2kw | 120kg | 28000N |
| RF98-Y2.2KW | 72.17 | 2.2kw | 120kg | 28100N |
| RF98-Y2.2KW | 65.21 | 2.2kw | 120kg | 27700N |
| RF98-Y2.2KW | 59.92 | 2.2kw | 120kg | 27100N |
| RF98-Y2.2KW | 53.21 | 2.2kw | 120kg | 26200N |
| RF98-Y2.2KW | 47.58 | 2.2kw | 120kg | 25300N |
RF98減速機配3KW電機參數
| 型號 | 減速比 | 功率 | 重量 | 力矩 |
| RF98-Y3KW | 150.78 | 3kw | 125kg | 16200N |
| RF98-Y3KW | 126.75 | 3kw | 125kg | 23600N |
| RF98-Y3KW | 116.48 | 3kw | 125kg | 24700N |
| RF98-Y3KW | 103.44 | 3kw | 125kg | 25900N |
| RF98-Y3KW | 92.48 | 3kw | 125kg | 26800N |
| RF98-Y3KW | 83.15 | 3kw | 125kg | 27300N |
| RF98-Y3KW | 72.17 | 3kw | 125kg | 27700N |
| RF98-Y3KW | 65.21 | 3kw | 125kg | 27000N |
| RF98-Y3KW | 59.92 | 3kw | 125kg | 26400N |
| RF98-Y3KW | 53.21 | 3kw | 125kg | 25600N |
| RF98-Y3KW | 47.58 | 3kw | 125kg | 24800N |
| RF98-Y3KW | 42.78 | 3kw | 125kg | 24000N |
| RF98-Y3KW | 37.13 | 3kw | 125kg | 23100N |
| RF98-Y3KW | 33.25 | 3kw | 125kg | 22400N |
RF98減速機配4KW電機參數
| 型號 | 減速比 | 功率 | 重量 | 力矩 |
| RF98-Y4KW | 116.48 | 4kw | 140kg | 15500N |
| RF98-Y4KW | 103.44 | 4kw | 140kg | 22600N |
| RF98-Y4KW | 92.48 | 4kw | 140kg | 24300N |
| RF98-Y4KW | 83.15 | 4kw | 140kg | 25500N |
| RF98-Y4KW | 72.17 | 4kw | 140kg | 26600N |
| RF98-Y4KW | 65.21 | 4kw | 140kg | 26000N |
| RF98-Y4KW | 59.92 | 4kw | 140kg | 25400N |
| RF98-Y4KW | 53.21 | 4kw | 140kg | 24700N |
| RF98-Y4KW | 47.58 | 4kw | 140kg | 24000N |
| RF98-Y4KW | 42.78 | 4kw | 140kg | 23300N |
| RF98-Y4KW | 37.13 | 4kw | 140kg | 22400N |
| RF98-Y4KW | 33.25 | 4kw | 140kg | 21800N |
RF98減速機配5.5KW電機參數
| 型號 | 減速比 | 功率 | 重量 | 力矩 |
| RF98-Y5.5KW | 83.15 | 5.5kw | 145kg | 18900N |
| RF98-Y5.5KW | 72.17 | 5.5kw | 145kg | 21900N |
| RF98-Y5.5KW | 65.21 | 5.5kw | 145kg | 24600N |
| RF98-Y5.5KW | 59.92 | 5.5kw | 145kg | 24200N |
| RF98-Y5.5KW | 53.21 | 5.5kw | 145kg | 23600N |
| RF98-Y5.5KW | 47.58 | 5.5kw | 145kg | 23000N |
| RF98-Y5.5KW | 42.78 | 5.5kw | 145kg | 22400N |
| RF98-Y5.5KW | 37.13 | 5.5kw | 145kg | 21600N |
| RF98-Y5.5KW | 33.25 | 5.5kw | 145kg | 21000N |
| RF98-Y5.5KW | 27.58 | 5.5kw | 145kg | 20000N |
| RF98-Y5.5KW | 32.05 | 5.5kw | 145kg | 20900N |
| RF98-Y5.5KW | 27.19 | 5.5kw | 145kg | 20000N |
| RF98-Y5.5KW | 25.03 | 5.5kw | 145kg | 19500N |
| RF98-Y5.5KW | 22.37 | 5.5kw | 145kg | 19800N |
| RF98-Y5.5KW | 20.14 | 5.5kw | 145kg | 18400N |
| RF98-Y5.5KW | 18.24 | 5.5kw | 145kg | 17900N |
| RF98-Y5.5KW | 16.17 | 5.5kw | 145kg | 17300N |
RF98減速機配7.5KW電機參數
| 型號 | 減速比 | 功率 | 重量 | 力矩 |
| RF98-Y7.5KW | 59.92 | 7.5kw | 155kg | 20900N |
| RF98-Y7.5KW | 53.21 | 7.5kw | 155kg | 22200N |
| RF98-Y7.5KW | 47.58 | 7.5kw | 155kg | 21700N |
| RF98-Y7.5KW | 42.78 | 7.5kw | 155kg | 21300N |
| RF98-Y7.5KW | 37.13 | 7.5kw | 155kg | 20700N |
| RF98-Y7.5KW | 33.25 | 7.5kw | 155kg | 20200N |
| RF98-Y7.5KW | 27.58 | 7.5kw | 155kg | 19300N |
| RF98-Y7.5KW | 32.05 | 7.5kw | 155kg | 20000N |
| RF98-Y7.5KW | 27.19 | 7.5kw | 155kg | 19200N |
| RF98-Y7.5KW | 25.03 | 7.5kw | 155kg | 19800N |
| RF98-Y7.5KW | 22.37 | 7.5kw | 155kg | 18300N |
| RF98-Y7.5KW | 20.14 | 7.5kw | 155kg | 17900N |
| RF98-Y7.5KW | 18.24 | 7.5kw | 155kg | 17400N |
RF98減速機配11KW電機參數
| 型號 | 減速比 | 功率 | 重量 | 力矩 |
| RF98-Y11KW | 42.78 | 11kw | 180kg | 16600N |
| RF98-Y11KW | 37.13 | 11kw | 180kg | 18900N |
| RF98-Y11KW | 33.25 | 11kw | 180kg | 18600N |
| RF98-Y11KW | 27.58 | 11kw | 180kg | 18000N |
| RF98-Y11KW | 25.03 | 11kw | 180kg | 17700N |
| RF98-Y11KW | 22.37 | 11kw | 180kg | 17300N |
| RF98-Y11KW | 20.14 | 11kw | 180kg | 16900N |
| RF98-Y11KW | 18.24 | 11kw | 180kg | 16500N |
| RF98-Y11KW | 16.17 | 11kw | 180kg | 16100N |
| RF98-Y11KW | 14.62 | 11kw | 180kg | 15700N |
| RF98-Y11KW | 12.39 | 11kw | 180kg | 15000N |
| RF98-Y11KW | 10.83 | 11kw | 180kg | 14500N |
| RF98-Y11KW | 9.29 | 11kw | 180kg | 14200N |
| RF98-Y11KW | 8.39 | 11kw | 180kg | 13800N |
| RF98-Y11KW | 7.12 | 11kw | 180kg | 13200N |
| RF98-Y11KW | 6.21 | 11kw | 180kg | 12600N |
RF98減速機配15KW電機參數
| 型號 | 減速比 | 功率 | 重量 | 力矩 |
| RF98-Y15KW | 27.58 | 15kw | 215kg | 16500N |
| RF98-Y15KW | 25.03 | 15kw | 215kg | 16300N |
| RF98-Y15KW | 22.37 | 15kw | 215kg | 16100N |
| RF98-Y15KW | 20.14 | 15kw | 215kg | 15800N |
| RF98-Y15KW | 18.24 | 15kw | 215kg | 15600N |
| RF98-Y15KW | 16.17 | 15kw | 215kg | 15200N |
| RF98-Y15KW | 14.62 | 15kw | 215kg | 14900N |
| RF98-Y15KW | 12.39 | 15kw | 215kg | 14400N |
| RF98-Y15KW | 10.83 | 15kw | 215kg | 14000N |
| RF98-Y15KW | 9.29 | 15kw | 215kg | 13800N |
| RF98-Y15KW | 8.39 | 15kw | 215kg | 13400N |
| RF98-Y15KW | 7.12 | 15kw | 215kg | 12800N |
| RF98-Y15KW | 6.21 | 15kw | 215kg | 12400N |
RF98減速機配18.5KW電機參數
| 型號 | 減速比 | 功率 | 重量 | 力矩 |
| RF98-Y18.5KW | 20.14 | 18.5kw | 225kg | 14900N |
| RF98-Y18.5KW | 18.24 | 18.5kw | 225kg | 14700N |
| RF98-Y18.5KW | 16.17 | 18.5kw | 225kg | 14500N |
| RF98-Y18.5KW | 14.62 | 18.5kw | 225kg | 14200N |
| RF98-Y18.5KW | 12.39 | 18.5kw | 225kg | 13800N |
| RF98-Y18.5KW | 10.83 | 18.5kw | 225kg | 13500N |
| RF98-Y18.5KW | 9.29 | 18.5kw | 225kg | 13400N |
| RF98-Y18.5KW | 8.39 | 18.5kw | 225kg | 13100N |
| RF98-Y18.5KW | 7.12 | 18.5kw | 225kg | 12600N |
| RF98-Y18.5KW | 6.21 | 18.5kw | 225kg | 12100N |
| RF98-Y18.5KW | 5.2 | 18.5kw | 225kg | 11600N |
| RF98-Y18.5KW | 4.5 | 18.5kw | 225kg | 11100N |
RF98減速機配22KW電機參數
| 型號 | 減速比 | 功率 | 重量 | 力矩 |
| RF98-Y22KW | 20.14 | 22kw | 245kg | 14000N |
| RF98-Y22KW | 18.24 | 22kw | 245kg | 13900N |
| RF98-Y22KW | 16.17 | 22kw | 245kg | 13700N |
| RF98-Y22KW | 14.62 | 22kw | 245kg | 13600N |
| RF98-Y22KW | 12.39 | 22kw | 245kg | 13300N |
| RF98-Y22KW | 10.83 | 22kw | 245kg | 13000N |
| RF98-Y22KW | 9.29 | 22kw | 245kg | 13100N |
| RF98-Y22KW | 8.39 | 22kw | 245kg | 12800N |
| RF98-Y22KW | 7.12 | 22kw | 245kg | 12300N |
| RF98-Y22KW | 6.21 | 22kw | 245kg | 11900N |
| RF98-Y22KW | 5.2 | 22kw | 245kg | 11400N |
| RF98-Y22KW | 4.5 | 22kw | 245kg | 10900N |
RF98減速機配30KW電機參數
| 型號 | 減速比 | 功率 | 重量 | 力矩 |
| RF98-Y30KW | 14.62 | 30kw | 345kg | 12000N |
| RF98-Y30KW | 12.39 | 30kw | 345kg | 11900N |
| RF98-Y30KW | 10.83 | 30kw | 345kg | 11800N |
| RF98-Y30KW | 9.29 | 30kw | 345kg | 12300N |
| RF98-Y30KW | 8.39 | 30kw | 345kg | 12100N |
| RF98-Y30KW | 7.12 | 30kw | 345kg | 11700N |
| RF98-Y30KW | 6.21 | 30kw | 345kg | 11300N |
| RF98-Y30KW | 5.2 | 30kw | 345kg | 10900N |
| RF98-Y30KW | 4.5 | 30kw | 345kg | 10500N |
RF98減速電機生產工廠展示:看廠請聯系微信13827261050,獲取位置,需提前一天預約
推薦類似型號:R98減速機
關鍵詞:GRF系列減速機立式一體式_直線輸出減速機配電機_RF系列減速器_直連電機減速機_直連減速機_直連減速器_直聯減速機_RF系列減速機_RF型減速機_RF齒輪減速馬達
RF系列減速機型號:RF18減速機,RF28減速機,RF38減速機,RF48減速機,RF58減速機,RF68減速機,RF78減速機,RF88減速機,RF98減速機,RF108減速機,RF138減速機,RF148減速機,RF168減速機
RF系列斜齒輪減速機可配變頻電機,剎車電機,防爆電機,伺服電機,交流電機,直流電機,三相電機,單相電機 0.12KW-132KW之間
如需工程師幫選型,請加微信13827261050,留言告知工程師參數要求
標簽:   RF98減速電機 RF97斜齒輪硬齒面減速機 RF97減速機功率 RF97減速機基座尺寸 RF97減速機模型 RF97減速機型號參數
