RXF58減速電機詳細信息
RXF58減速電機
RXF58減速電機功率計算公式:齒輪減速馬達
電動無軌小火車參數:輥輪直徑115,拖動2.9噸,一分鐘行駛47米
47米÷(0.115輥輪直徑X3.14)=130.16轉每分鐘
2.9噸換算成N=29000N
29000×0.0575輥輪半徑×0.3橡膠輪水泥路的摩擦系數=500.25N.m
通常確保萬無一失,我們會把輸出扭矩放大兩倍500.25×2=1000.5N.m
電機轉數1400÷輸出轉數130.16=10.76比
1000.5N.m輸出扭矩÷10.76比=92.98N.m電機扭矩
92.98N.m電機扭矩換算成功率7.5KW以上
對應的RXF58減速機型號參數:
型號:RXF58-BVPEJ7.5KWKW
減速比:10.76
輸出轉數:130.16轉每分鐘
輸出扭矩:1020N.m
安全系數:2.40
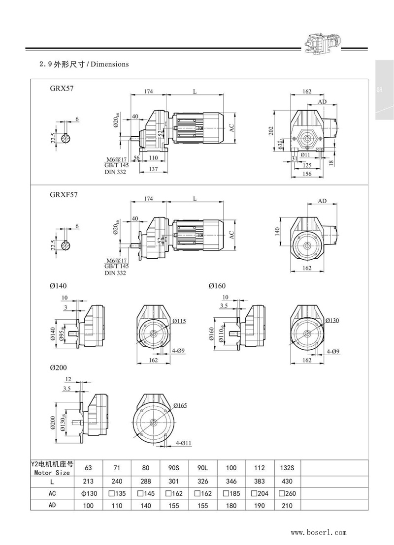
RXF58減速機基座尺寸:輸出軸Φ20+鍵2.5(可定做),高134*寬135*長174(帶輸出軸)三相齒輪減速機

RXF58立式斜齒輪硬齒面減速機型號:

RXF58減速電機型號參數:同軸斜齒輪減速電機
RXF58減速機配0.12KW電機參數
| 型號 | 速比 | 功率 | 重量 | 沖擊力 |
| RXF58-Y0.12KW | 186.89 | 0.12KW | 23.5kg | 7920N |
| RXF58-Y0.12KW | 172.17 | 0.12KW | 23.5kg | 7940N |
| RXF58-Y0.12KW | 147.92 | 0.12KW | 23.5kg | 7960N |
| RXF58-Y0.12KW | 128.77 | 0.12KW | 23.5kg | 7980N |
RXF58減速機配0.18KW電機參數
| 型號 | 速比 | 功率 | 重量 | 沖擊力 |
| RXF58-Y0.18KW | 186.89 | 0.18KW | 24kg | 7770N |
| RXF58-Y0.18KW | 172.17 | 0.18KW | 24kg | 7810N |
| RXF58-Y0.18KW | 147.92 | 0.18KW | 24kg | 7860N |
| RXF58-Y0.18KW | 128.77 | 0.18KW | 24kg | 7900N |
| RXF58-Y0.18KW | 120.63 | 0.18KW | 24kg | 7920N |
| RXF58-Y0.18KW | 106.58 | 0.18KW | 24kg | 7940N |
| RXF58-Y0.18KW | 98.99 | 0.18KW | 24kg | 7950N |
| RXF58-Y0.18KW | 89.71 | 0.18KW | 24kg | 7970N |
RXF58減速機配0.25KW電機參數
| 型號 | 速比 | 功率 | 重量 | 沖擊力 |
| RXF58-Y0.25KW | 186.92 | 0.25KW | 28Kg | 7500N |
| RXF58-Y0.25KW | 172.17 | 0.25KW | 28Kg | 7580N |
| RXF58-Y0.25KW | 147.92 | 0.25KW | 28Kg | 7700N |
| RXF58-Y0.25KW | 128.77 | 0.25KW | 28Kg | 7780N |
| RXF58-Y0.25KW | 120.63 | 0.25KW | 28Kg | 7810N |
| RXF58-Y0.25KW | 106.58 | 0.25KW | 28Kg | 7860N |
| RXF58-Y0.25KW | 98.99 | 0.25KW | 28Kg | 7880N |
| RXF58-Y0.25KW | 89.71 | 0.25KW | 28Kg | 7910N |
| RXF58-Y0.25KW | 80.55 | 0.25KW | 28Kg | 7930N |
| RXF58-Y0.25KW | 69.23 | 0.25KW | 28Kg | 7960N |
RXF58減速機配0.37KW電機參數
| 型號 | 速比 | 功率 | 重量 | 沖擊力 |
| RXF58-Y0.37KW | 186.89 | 0.37KW | 28.5Kg | 6980N |
| RXF58-Y0.37KW | 172.17 | 0.37KW | 28.5Kg | 7140N |
| RXF58-Y0.37KW | 147.92 | 0.37KW | 28.5Kg | 7380N |
| RXF58-Y0.37KW | 128.77 | 0.37KW | 28.5Kg | 7540N |
| RXF58-Y0.37KW | 120.63 | 0.37KW | 28.5Kg | 7610N |
| RXF58-Y0.37KW | 106.58 | 0.37KW | 28.5Kg | 7700N |
| RXF58-Y0.37KW | 98.99 | 0.37KW | 28.5Kg | 7740N |
| RXF58-Y0.37KW | 89.71 | 0.37KW | 28.5Kg | 7800N |
| RXF58-Y0.37KW | 80.55 | 0.37KW | 28.5Kg | 7840N |
| RXF58-Y0.37KW | 69.23 | 0.37KW | 28.5Kg | 7890N |
| RXF58-Y0.37KW | 64.85 | 0.37KW | 28.5Kg | 7910N |
| RXF58-Y0.37KW | 57.29 | 0.37KW | 28.5Kg | 7760N |
| RXF58-Y0.37KW | 53.22 | 0.37KW | 28.5Kg | 7600N |
| RXF58-Y0.37KW | 48.23 | 0.37KW | 28.5Kg | 7380N |
RXF58減速機配0.55KW電機參數
| 型號 | 速比 | 功率 | 重量 | 沖擊力 |
| RXF58-Y0.55KW | 120.63 | 0.55KW | 33Kg | 7060N |
| RXF58-Y0.55KW | 106.58 | 0.55KW | 33Kg | 7290N |
| RXF58-Y0.55KW | 98.99 | 0.55KW | 33Kg | 7390N |
| RXF58-Y0.55KW | 89.71 | 0.55KW | 33Kg | 7510N |
| RXF58-Y0.55KW | 80.55 | 0.55KW | 33Kg | 7610N |
| RXF58-Y0.55KW | 69.23 | 0.55KW | 33Kg | 7720N |
| RXF58-Y0.55KW | 64.85 | 0.55KW | 33Kg | 7750N |
| RXF58-Y0.55KW | 57.29 | 0.55KW | 33Kg | 7500N |
| RXF58-Y0.55KW | 53.22 | 0.55KW | 33Kg | 7360N |
| RXF58-Y0.55KW | 48.23 | 0.55KW | 33Kg | 7160N |
| RXF58-Y0.55KW | 43.3 | 0.55KW | 33Kg | 6960N |
| RXF58-Y0.55KW | 37.3 | 0.55KW | 33Kg | 6670N |
| RXF58-Y0.55KW | 35.07 | 0.55KW | 33Kg | 6560N |
| RXF58-Y0.55KW | 26.31 | 0.55KW | 33Kg | 6030N |
| RXF58-Y0.55KW | 24.99 | 0.55KW | 33Kg | 5940N |
| RXF58-Y0.55KW | 21.93 | 0.55KW | 33Kg | 5720N |
| RXF58-Y0.55KW | 18.60 | 0.55KW | 33Kg | 5440N |
RXF58減速機配0.75KW電機參數
| 型號 | 速比 | 功率 | 重量 | 沖擊力 |
| RXF58-Y0.75KW | 106.58 | 0.75KW | 34Kg | 5490N |
| RXF58-Y0.75KW | 98.99 | 0.75KW | 34Kg | 6900N |
| RXF58-Y0.75KW | 89.71 | 0.75KW | 34Kg | 7120N |
| RXF58-Y0.75KW | 80.55 | 0.75KW | 34Kg | 7300N |
| RXF58-Y0.75KW | 69.23 | 0.75KW | 34Kg | 7470N |
| RXF58-Y0.75KW | 64.85 | 0.75KW | 34Kg | 7360N |
| RXF58-Y0.75KW | 57.29 | 0.75KW | 34Kg | 7150N |
| RXF58-Y0.75KW | 53.22 | 0.75KW | 34Kg | 7030N |
| RXF58-Y0.75KW | 48.23 | 0.75KW | 34Kg | 6860N |
| RXF58-Y0.75KW | 43.3 | 0.75KW | 34Kg | 6670N |
| RXF58-Y0.75KW | 37.30 | 0.75KW | 34Kg | 6420N |
| RXF58-Y0.75KW | 35.07 | 0.75KW | 34Kg | 6320N |
| RXF58-Y0.75KW | 30.18 | 0.75KW | 34Kg | 6060N |
| RXF58-Y0.75KW | 26.97 | 0.75KW | 34Kg | 5880N |
| RXF58-Y0.75KW | 26.31 | 0.75KW | 34Kg | 5840N |
| RXF58-Y0.75KW | 24.99 | 0.75KW | 34Kg | 5760N |
| RXF58-Y0.75KW | 21.93 | 0.75KW | 34Kg | 5540N |
| RXF58-Y0.75KW | 18.60 | 0.75KW | 34Kg | 5290N |
RXF58減速機配1.1KW電機參數
| 型號 | 速比 | 功率 | 重量 | 沖擊力 |
| RXF58-Y1.1KW | 69.23 | 1.1KW | 38kg | 6260N |
| RXF58-Y1.1KW | 64.85 | 1.1KW | 38kg | 6830N |
| RXF58-Y1.1KW | 57.29 | 1.1KW | 38kg | 6690N |
| RXF58-Y1.1KW | 53.22 | 1.1KW | 38kg | 6600N |
| RXF58-Y1.1KW | 48.23 | 1.1KW | 38kg | 6470N |
| RXF58-Y1.1KW | 43.30 | 1.1KW | 38kg | 6330N |
| RXF58-Y1.1KW | 37.30 | 1.1KW | 38kg | 6120N |
| RXF58-Y1.1KW | 35.07 | 1.1KW | 38kg | 6040N |
| RXF58-Y1.1KW | 30.18 | 1.1KW | 38kg | 5830N |
| RXF58-Y1.1KW | 26.97 | 1.1KW | 38kg | 5670N |
| RXF58-Y1.1KW | 26.31 | 1.1KW | 38kg | 5630N |
| RXF58-Y1.1KW | 24.99 | 1.1KW | 38kg | 5560N |
| RXF58-Y1.1KW | 21.93 | 1.1KW | 38kg | 5380N |
| RXF58-Y1.1KW | 18.60 | 1.1KW | 38kg | 5150N |
| RXF58-Y1.1KW | 16.79 | 1.1KW | 38kg | 5000N |
RXF58減速機配1.5KW電機參數
| 型號 | 速比 | 功率 | 重量 | 沖擊力 |
| RXF58-Y1.5KW | 53.22 | 1.5KW | 41kg | 5450N |
| RXF58-Y1.5KW | 48.23 | 1.5KW | 41kg | 6000N |
| RXF58-Y1.5KW | 43.30 | 1.5KW | 41kg | 5900N |
| RXF58-Y1.5KW | 37.30 | 1.5KW | 41kg | 5760N |
| RXF58-Y1.5KW | 35.07 | 1.5KW | 41kg | 5690N |
| RXF58-Y1.5KW | 30.18 | 1.5KW | 41kg | 5530N |
| RXF58-Y1.5KW | 26.97 | 1.5KW | 41kg | 5400N |
| RXF58-Y1.5KW | 26.31 | 1.5KW | 41kg | 5370N |
| RXF58-Y1.5KW | 24.99 | 1.5KW | 41kg | 5310N |
| RXF58-Y1.5KW | 21.93 | 1.5KW | 41kg | 5160N |
| RXF58-Y1.5KW | 18.60 | 1.5KW | 41kg | 4960N |
| RXF58-Y1.5KW | 16.79 | 1.5KW | 41kg | 4840N |
| RXF58-Y1.5KW | 14.77 | 1.5KW | 41kg | 4680N |
| RXF58-Y1.5KW | 13.95 | 1.5KW | 41kg | 4610N |
| RXF58-Y1.5KW | 11.88 | 1.5KW | 41kg | 4420N |
RXF58減速機配2.2KW電機參數
| 型號 | 速比 | 功率 | 重量 | 沖擊力 |
| RXF58-Y2.2KW | 37.30 | 2.2KW | 50kg | 4750N |
| RXF58-Y2.2KW | 35.07 | 2.2KW | 50kg | 5100N |
| RXF58-Y2.2KW | 30.18 | 2.2KW | 50kg | 5020N |
| RXF58-Y2.2KW | 26.97 | 2.2KW | 50kg | 4950N |
| RXF58-Y2.2KW | 21.93 | 2.2KW | 50kg | 4790N |
| RXF58-Y2.2KW | 18.60 | 2.2KW | 50kg | 4650N |
| RXF58-Y2.2KW | 16.79 | 2.2KW | 50kg | 4560N |
| RXF58-Y2.2KW | 14.77 | 2.2KW | 50kg | 4440N |
| RXF58-Y2.2KW | 13.95 | 2.2KW | 50kg | 4380N |
| RXF58-Y2.2KW | 11.88 | 2.2KW | 50kg | 4220N |
| RXF58-Y2.2KW | 10.79 | 2.2KW | 50kg | 4130N |
| RXF58-Y2.2KW | 9.35 | 2.2KW | 50kg | 3980N |
| RXF58-Y2.2KW | 9.06 | 2.2KW | 50kg | 3970N |
| RXF58-Y2.2KW | 7.97 | 2.2KW | 50kg | 3840N |
RXF58減速機配3KW電機參數
| 型號 | 速比 | 功率 | 重量 | 沖擊力 |
| RXF58-Y3KW | 26.97 | 3KW | 53kg | 4430N |
| RXF58-Y3KW | 21.93 | 3KW | 53kg | 4360N |
| RXF58-Y3KW | 18.60 | 3KW | 53kg | 4280N |
| RXF58-Y3KW | 16.79 | 3KW | 53kg | 4220N |
| RXF58-Y3KW | 14.77 | 3KW | 53kg | 4140N |
| RXF58-Y3KW | 13.95 | 3KW | 53kg | 4100N |
| RXF58-Y3KW | 11.88 | 3KW | 53kg | 3980N |
| RXF58-Y3KW | 10.79 | 3KW | 53kg | 3900N |
| RXF58-Y3KW | 9.35 | 3KW | 53kg | 3790N |
| RXF58-Y3KW | 9.06 | 3KW | 53kg | 3780N |
| RXF58-Y3KW | 7.97 | 3KW | 53kg | 3670N |
| RXF58-Y3KW | 7.53 | 3KW | 53kg | 3620N |
| RXF58-Y3KW | 6.41 | 3KW | 53kg | 3480N |
| RXF58-Y3KW | 5.82 | 3KW | 53kg | 3400N |
| RXF58-Y3KW | 5.05 | 3KW | 53kg | 3280N |
| RXF58-Y3KW | 4.39 | 3KW | 53kg | 3160N |
RXF58減速機配4KW電機參數
| 型號 | 速比 | 功率 | 重量 | 沖擊力 |
| RXF58-Y4KW | 18.60 | 4KW | 64kg | 3660N |
| RXF58-Y4KW | 16.79 | 4KW | 64kg | 3820N |
| RXF58-Y4KW | 14.77 | 4KW | 64kg | 3790N |
| RXF58-Y4KW | 13.95 | 4KW | 64kg | 3770N |
| RXF58-Y4KW | 11.88 | 4KW | 64kg | 3700N |
| RXF58-Y4KW | 10.79 | 4KW | 64kg | 3650N |
| RXF58-Y4KW | 9.35 | 4KW | 64kg | 3570N |
| RXF58-Y4KW | 9.06 | 4KW | 64kg | 3570N |
| RXF58-Y4KW | 7.97 | 4KW | 64kg | 3490N |
| RXF58-Y4KW | 7.53 | 4KW | 64kg | 3450N |
| RXF58-Y4KW | 6.41 | 4KW | 64kg | 3330N |
| RXF58-Y4KW | 5.82 | 4KW | 64kg | 3260N |
| RXF58-Y4KW | 5.05 | 4KW | 64kg | 3160N |
| RXF58-Y4KW | 4.39 | 4KW | 64kg | 3050N |
RXF58減速機配5.5KW電機參數
| 型號 | 速比 | 功率 | 重量 | 沖擊力 |
| RXF58-Y5.5KW | 14.77 | 5.5KW | 78kg | 1840N |
| RXF58-Y5.5KW | 13.95 | 5.5KW | 78kg | 2170N |
| RXF58-Y5.5KW | 11.88 | 5.5KW | 78kg | 2980N |
| RXF58-Y5.5KW | 10.79 | 5.5KW | 78kg | 3270N |
| RXF58-Y5.5KW | 9.35 | 5.5KW | 78kg | 3240N |
| RXF58-Y5.5KW | 7.97 | 5.5KW | 78kg | 3220N |
| RXF58-Y5.5KW | 7.53 | 5.5KW | 78kg | 3190N |
| RXF58-Y5.5KW | 6.41 | 5.5KW | 78kg | 3120N |
| RXF58-Y5.5KW | 5.82 | 5.5KW | 78kg | 3070N |
| RXF58-Y5.5KW | 5.05 | 5.5KW | 78kg | 2990N |
| RXF58-Y5.5KW | 4.39 | 5.5KW | 78kg | 2900N |
RXF58減速機配7.5KW電機參數
| 型號 | 速比 | 功率 | 重量 | 沖擊力 |
| RXF58-Y7.5KW | 7.97 | 7.5KW | 91kg | 1130N |
| RXF58-Y7.5KW | 7.53 | 7.5KW | 91kg | 1420N |
| RXF58-Y7.5KW | 6.41 | 7.5KW | 91kg | 2130N |
| RXF58-Y7.5KW | 5.82 | 7.5KW | 91kg | 2470N |
| RXF58-Y7.5KW | 5.05 | 7.5KW | 91kg | 2750N |
| RXF58-Y7.5KW | 4.39 | 7.5KW | 91kg | 2800N |
RXF58減速電機生產工廠展示:看廠請聯系微信13827261050,獲取位置,需提前一天預約
推薦類似型號:R58減速機
關鍵詞:GRXF向減速電機一體式_硬齒面減速機配電機_RXF系列減速器_RXF系列減速機_GRXF系列減速機_齒輪減速器_硬齒面齒輪減速機_三相齒輪減速電機_RXF型減速機_三相齒輪減速機
RXF系列齒輪減速馬達型號:RXF58減速機,RXF68減速機,RXF78減速機,RXF88減速機,RXF98減速機,RXF108減速機
RXF系列同軸斜齒輪減速機可配變頻電機,剎車電機,防爆電機,伺服電機,交流電機,直流電機,三相電機,單相電機 0.12KW-45KW之間
如需工程師幫選型,請加微信13827261050,留言告知工程師參數要求
標簽:   RXF58減速電機 RXF57立式斜齒輪硬齒面減速機 RXF57減速機功率 RXF57減速機基座尺寸 RXF57減速機模型 RXF57減速機型號參數
